冠中黎电子科技
 
KTH177 矿用隔爆兼本安型扩播电话
返回分类菜单
产品介绍
KTH177矿用隔爆兼本安型扩播电话是集我公司长期从事工业生产调度通信系统研究的经验,采用现代电子技术、数字降噪处理电路研制成功的高性能、高可靠性的防爆通信终端。

产品介绍
该产品特别适用于易燃易爆高噪声场所如煤矿、化工、码头、发电厂等,作为调度扩音通信及报警通信终端使用。能有效解决工作区域内环境噪声大且人员流动性大的通讯问题,具有安装使用方便、通话质量好、消除呼叫盲点等优点,可以提高工作效率,确保易爆区域的生产安全。KTH177矿用隔爆兼本安型扩播电话是与环网交换机或二线调度机配套使用的扩音装置,可接入二线也可弥补了环网不能接扩音广播电话的不足,该终端具有极佳的抗噪声性能,属本质安全型设备。终端内部采用DSP数字信号处理器通过降噪计算方法,对信号进行处理,然后输出清晰的语音信号送入功放,在高噪声环境下可获得良好的通话效果和扩音效果。

功能参数
●  安全标志编号:MAK170034;
●  外壳采用高强度钢板制作,防水、防尘、防腐蚀,防护等级达IP65,适用于恶劣环境;
●  采用不锈钢触摸式按键和高强ABS工程塑料手柄,经久耐用;
●  具有电话机功能和扩音广播功能;
●  支持话筒、USD、等外接音源输入;
●  兼容各类型号调度交换机的音源接入;
●  壁挂式安装,采用型新叉盖开关机构,话机上无任何可动零部件;
●  按键为全密封不锈钢轻触键,并设有紧急呼叫等功能,当出现紧急情况时,将手柄从话机上提起后,按“紧呼”键,用户和调度直接通话;
●  具有电源指示和噪音指示,采用高端降噪、扩音技术;
●  多种接口适应多种系统对广播通信终端的要求;
●  多提示响铃区别,有紧急报警铃声和普通铃声选择;
●  支持语音网关输出接入,可连接远距离的音频传输,从而组成覆盖全矿井的IP交换广播扩音通信系统;
●  具有音频输入输出口,可进行多台级联,组成局域式广播扩音通信系统;
●  可调整功放的输出功率,顺时针方向旋转,输出功率增加,逆时针方向旋转,输出功率减小。功率2-5W可调(出厂调在3W);
●  可调整振铃次数,出厂时已调整为振铃3次自动打开扩音,当振铃次数达到设定次数后,扩音电话自动打开扩音电路,呼叫用户听到“叮咚”提示音,提示此时扩音电话处于扩音状态,对方挂机,喇叭输出忙音四声后,扩音自动关闭;
●  本装置内有备用电池,可保证在交流停电时自动投入,并可连续工作2小时。

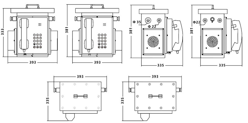
规格尺寸

Copyright © 广州冠中黎电子科技有限公司 All Rights Reserved.   粤ICP备2021004623号